Le presbytère actuel est un ancien prieuré qui appartenait à l'abbaye de Saint-Melaine de Rennes dès le 12e siècle. Cet ancien prieuré était composé d'un manoir, d'une fuie au sud-est du choeur de l'église, d'un jardin, d'une cour close, d'une grange dimeresse, de prairies et d'un auditoire qui a disparu au début du 19e siècle. Ce prieuré communiquait avec l'église, ainsi, un cloître était accolé à l'église au nord, à l'emplacement de l'actuelle cour du presbytère. Auyjourd'hui, c'est le logis prioral qui sert de presbytère Au début du 19e siècle, des prisonniers prussiens furent semble-t-il logés au presbytère ; ils participèrent à la réalisation du Canal d'Ille-et-Rance. D'après des documents d'archives, le mur de clôture du presbytère aurait été reconstruit en 1894. Par ailleurs, des travaux d'agrandissement du presbytère auraient eu lieu en 1901. Ces travaux auraient été réalisés par l'architecte Taburet. En 1600, le prieuré était en la possession de Charles de Tournemine, aumonier du roi Henri IV.
- inventaire préliminaire, Hédé
- étude d'inventaire, Hédé
Dossier non géolocalisé
-
Aire d'étude et canton
Ille-et-Vilaine - Hédé
-
Commune
Hédé-Bazouges
-
Adresse
17 Place de l' Eglise
-
Cadastre
1983
A
-
Dénominationspresbytère
-
Période(s)
- Principale : 4e quart 17e siècle
- Principale : 19e siècle
-
Dates
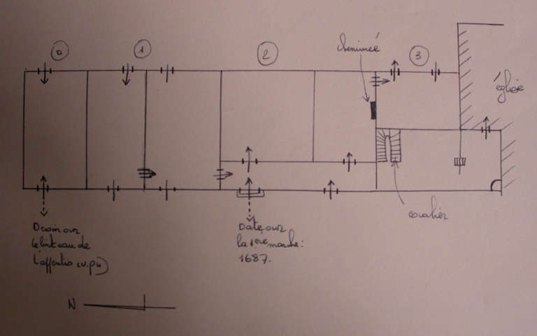
- 1687, porte la date
Le presbytère est construit en moellon de granite ; il est composé de plusieurs parties distinctes. Il possède un plan quadrangulaire de 35 mètres de long sur 6 mètres de large. Les deux extrémités du bâtiment sont couvertes de toitures à croupes. La majorité des baies possèdent des encadrements de pierre de taille de granite. Il existe une date : 1687 sur la première marche de l'escalier du bâtiment.
-
Murs
- granite
- moellon
-
Toitsardoise
Données complémentaires architecture IP35
- DENO
- HYPOI sans objet
- HYPOE
- PHYPO
- STYL
- NOTA
- MURS1 granite ; moellon
- MURS2
- SCLE1 4e quart 17e siècle ; 19e siècle
- IMPA
- CBATI
- IMBATI
- PERP
- ESPAL
- PASSAGE
- ESPAP
- DISTRIB
- ORDO
- ELEV
- ETAG
- COMBLE
- MOUV
- RDC
- ACCESA
- ACCESP
- NATUA
- FACCES
- FAXE
- FETAG
- FOUV
- IAUT sans objet
- ICHR typicum
- IESP typicum
- ICONTX intégré
- PINTE
- SEL sélection possible
- TYPVIL
- TYPECA
- POSECA
-
Statut de la propriétépropriété publique
- (c) Association Communes du Patrimoine Rural de Bretagne
- (c) Inventaire général, ADAGP
- (c) Inventaire général, ADAGP
- (c) Inventaire général, ADAGP
- (c) Inventaire général, ADAGP
- (c) Inventaire général, ADAGP
- (c) Inventaire général, ADAGP
- (c) Inventaire général, ADAGP
- (c) Inventaire général, ADAGP
- (c) Inventaire général, ADAGP
- (c) Inventaire général, ADAGP
- (c) Inventaire général, ADAGP
- (c) Inventaire général, ADAGP
- (c) Inventaire général, ADAGP
- (c) Inventaire général, ADAGP
- (c) Inventaire général, ADAGP
- (c) Association Communes du Patrimoine Rural de Bretagne
- (c) Région Bretagne
Documents d'archives
-
A. D. Ille-et-Vilaine. Série O : Administration et comptabilité communales. Édifices publics. Monuments et établissements publics. Presbytère (An XIII-1901) : 2 O 131/18.
Bibliographie
-
ANNE DU PORTAL, A. Histoire d'une petite ville, HEDE, La seigneurie. Rennes : Imprimerie du Journal de Rennes, 1915.
-
Région Bretagne (Service de l'Inventaire du patrimoine culturel)
BANEAT, Paul. Le département d'Ille-et-Vilaine, Histoire, Archéologie, Monuments. Rennes : J. Larcher, 1929.
p. 188 -
OGÉE, Jean-Baptiste. Dictionnaire historique et géographique de la province de Bretagne. Nlle éd. [1778-1780] rev. et augm. Rennes : Molliex, 1845.
p. 347